+86-0523-83274900
Cuplaje de adaptor Storz - flanșate
Acasă / Produs / Adaptoare / Cuplaje de adaptor Storz - flanșate

Cuplaje de adaptor Storz - flanșate

Cuplajele adaptoare sunt utilizate pentru a conecta sau converti între diferite standarde și tipuri de accesorii. Acestea permit conectarea interfețelor altfel incompatibile între ele fără probleme.

Cuplurile adaptoare includ, dar nu se limitează la: German până la Storz (bărbat/femeie), germană până la silvicultură, germană până la germană auto-blocare, germană până la flanșă, germană până la mai multe dinți, Storz bărbat la Storz Femeie, Storz la Forestier, etc.
Toate tipurile de cuplaje adaptoare pot fi personalizate la cerere.

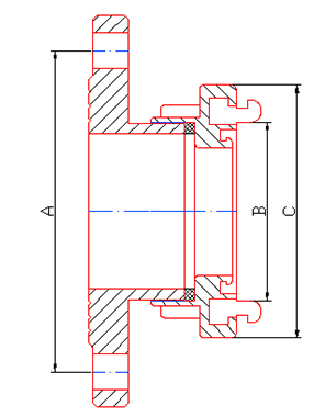
Dimensiuni Resurse

Articolul nr.

Din/mm

Dia

A/mm

B/mm

C/mm

/

80

3 "

160

89

126

Small100

4

180

115

156

Standard mic de 100 (American)

4

190.5

115

156

Big 100

4

180

133

182

Big 100 (American Standard)

4

190.5

133

182

150

6 "

240

160

215

150 (Standard american)

6 "

241.3

160

215

200

8 "

295

220

280

200 (Standard american)

8 "

298.5

220

280

250

10 "

355

278

339

250 (Standard american)

10 "

362

278

339

300

12 "

410

316

384

300 (Standard american)

12 "

431.8

316

384

350

14 "

470

366

448

350 (Standard american)

14 "

476.3

366

448

* Materialele și procesele de fabricație pot fi personalizate la cerere.
* Alte cerințe (cum ar fi presiunea de lucru, presiunea de explozie etc.) pot fi, de asemenea, personalizate, după cum este necesar.

Jiangsu Jinding Fire Protection Technology Co., Ltd.
Jiangsu Jinding Fire Protection Technology Co., Ltd., situat în Jiang Su Xinghua Economic Development Zona, a fost fondată în 1998. Este o companie industrială care integrează proiectarea, dezvoltarea, producția și vânzările. Compania a trecut ISO9001: 2015 Certificarea de calitate a sistemului de calitate și certificarea voluntară a produsului, iar produsele conexe au obținut raportul de inspecție al Centrului Național de Supraveghere a Calității Echipamentelor de Incendiu și Inspecție.
Compania noastră produce în principal mai multe serii de produse, inclusiv cuplaje pentru stingerea incendiilor, duze de apă, hidranți, cuplaje pentru țevi cu diametru mare și cuplaje pentru alimentarea cu apă pentru câmpuri petroliere. Aceste produse sunt utilizate pe scară largă în protecția împotriva incendiilor, industria petrolieră, chimică, militară și alte industrii.
Compania are o capacitate bună de cercetare și dezvoltare independentă și are un set complet de procese de producție, cum ar fi fabricarea mucegaiului, procesarea producției și testarea produselor. În același timp, întreprinderea acordă importanță cerințelor clienților, înțelege în timp util dinamica pieței, dezvoltă continuu și produce produse noi și câștigă încrederea și laudele clienților noi și vechi.
Compania oferă servicii fiabile Cuplaje de adaptor Storz - flanșate și servicii profesionale bazate pe angajamentul de calitate și parteneriate de colaborare, străduindu-se să construiască relații de cooperare durabile cu clienții.
27+

27 de ani de industrie Experiență de fabricație

Certificate
Ştiri
Să avem o conversație
Spune -i salut și vom începe o colaborare fructuoasă. Începeți propria poveste de succes.
Aveți nevoie de echipamente pentru afacerea dvs.?
Lăsați -vă echipa noastră să vă ofere soluții personalizate.