+86-0523-83274900
Storz cuplaj filetat-mic

Storz cuplaj filetat-mic

Cuplarea cu filet Storz aparține seriei de cuplare Storz, cu un capăt cu un fir intern sau extern iar celălalt capăt având un Cuplarea de tip Storz Claw.
Această cuplare este obișnuită Conectați furtunurile de incendiu și echipamentele de combatere a incendiilor (cum ar fi pompele de incendiu, furtunurile de foc și hidranții de incendiu).
Gama pentru Producția de dimensiuni mici este de 20-65.

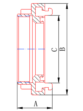
Dimensiuni Resurse

Articolul nr.

Din/mm

Dia

A/mm

B/mm

C/mm

KY-M

KY-F

25

1 "

39.7

55

31

40

1,5 "

39.5

79

52

50

2

52

98

66

65

2,5 "

52

118

81

80

3 "

55

126

89

100

4

60

156

115

110

大 4 "

63

182

133

125

5

66

196

148

150

6 "

80

215

160

* Materialele și procesele de fabricație pot fi personalizate la cerere.
* Alte cerințe (cum ar fi presiunea de lucru, presiunea de explozie etc.) pot fi, de asemenea, personalizate, după cum este necesar.

Jiangsu Jinding Fire Protection Technology Co., Ltd.
Jiangsu Jinding Fire Protection Technology Co., Ltd., situat în Jiang Su Xinghua Economic Development Zona, a fost fondată în 1998. Este o companie industrială care integrează proiectarea, dezvoltarea, producția și vânzările. Compania a trecut ISO9001: 2015 Certificarea de calitate a sistemului de calitate și certificarea voluntară a produsului, iar produsele conexe au obținut raportul de inspecție al Centrului Național de Supraveghere a Calității Echipamentelor de Incendiu și Inspecție.
Compania noastră produce în principal mai multe serii de produse, inclusiv cuplaje pentru stingerea incendiilor, duze de apă, hidranți, cuplaje pentru țevi cu diametru mare și cuplaje pentru alimentarea cu apă pentru câmpuri petroliere. Aceste produse sunt utilizate pe scară largă în protecția împotriva incendiilor, industria petrolieră, chimică, militară și alte industrii.
Compania are o capacitate bună de cercetare și dezvoltare independentă și are un set complet de procese de producție, cum ar fi fabricarea mucegaiului, procesarea producției și testarea produselor. În același timp, întreprinderea acordă importanță cerințelor clienților, înțelege în timp util dinamica pieței, dezvoltă continuu și produce produse noi și câștigă încrederea și laudele clienților noi și vechi.
Compania oferă servicii fiabile Storz cuplaj filetat-mic și servicii profesionale bazate pe angajamentul de calitate și parteneriate de colaborare, străduindu-se să construiască relații de cooperare durabile cu clienții.
27+

27 de ani de industrie Experiență de fabricație

Certificate
Ştiri
Să avem o conversație
Spune -i salut și vom începe o colaborare fructuoasă. Începeți propria poveste de succes.
Aveți nevoie de echipamente pentru afacerea dvs.?
Lăsați -vă echipa noastră să vă ofere soluții personalizate.